您好,欢迎进入江苏大中电机股份有限公司官网!

13092280002

热门关键词:  江苏大中大中电机江苏大中电机

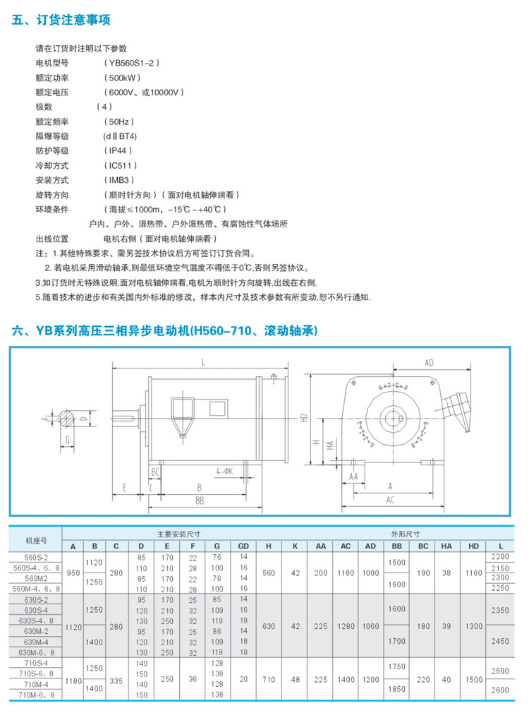
YB(H560-710MM)高压隔爆型三相异步电动机

发布时间:2019-03-11浏览次数:15